神马电影午夜數字鎖定平衡閥_閥門研發/制造/銷售,河北优源轻工制造有限公司


閥門研(yan)發/制造(zao)/銷售,河(he)北{🛀神马电影午夜🐅qiyeming}

新(xin)聞熱點(dian)
  • 軟密封(feng)閘閥技(ji)術與材(cai)質軟密(mi)封閘閥(fa)技術與(yu)材質

    1、發(fa)明目的(de): 解決閥(fa)座和閥(fa)闆的密(mi)封面腐(fu)蝕或變(bian)形♌後,閥(fa)闆能自(zi)動補償(chang)的并壓(ya)..

  • 軟密封(feng)閘閥制(zhi)造與結(jie)構設計(ji)軟密封(feng)閘閥制(zhi)造與結(jie)構設計(ji)
  • 明杆(gan)閘閥開(kai)啟不便(bian)的原因(yin)及解決(jue)方明杆(gan)閘閥開(kai)啟不便(bian)的原因(yin)及解決(jue)方

    糖廠(chang)水系統(tong)調節大(da)部分使(shi)用公稱(cheng)直徑為(wei)3O0mm以上的(de)明杆閘(zha)閥。當旋(xuan)轉手輪(lun),絲杆..

  • 硬(ying)密封閘(zha)閥設計(ji)原理及(ji)安裝硬(ying)密封閘(zha)閥設計(ji)原理及(ji)安裝

    硬(ying)密封閘(zha)閥随着(zhe)科學技(ji)術的進(jin)步和産(chan)品的技(ji)術 新🐪,工(gong)業閥門(men)的需求(qiu)已有顯(xian)著變..

  • 産(chan)品名稱(cheng):

    數字鎖(suo)定平衡(heng)閥

    産品(pin)詳情
     

     

    産品(pin)簡介:

     對于靜(jing)态失調(diao)問題,在(zai)系統中(zhong)安裝平(ping)衡閥,并(bing)用專用(yong)🔞智能儀(yi)表對平(ping)衡閥進(jin)行調試(shi),就可以(yi)有效消(xiao)除📱某些(xie)環路的(de)剩餘壓(ya)頭,使各(ge)個環路(lu)的流量(liang)都能符(fu)合設計(ji)🧑🏽‍🤝‍🧑🏻流量。

      平衡閥(fa)是一種(zhong)特殊功(gong)能的閥(fa)門,它具(ju)有良好(hao)的流量(liang)調節特(te)性📧,相對(dui)流量與(yu)相對開(kai)度呈線(xian)性關系(xi)。有精确(que)的閥門(men)開🔅度指(zhi)🧡示,最小(xiao)讀數為(wei)閥門全(quan)開度的(de)1%。有可靠(kao)的開度(du)鎖定記(ji)憶裝置(zhi)🔞,閥門開(kai)度變動(dong)後可恢(hui)複至原(yuan)👨‍❤️‍👨 鎖定位(wei)置。有截(jie)止功能(neng),安裝了(le)🌍平衡閥(fa)就✏️不必(bi)再安裝(zhuang)截止閥(fa)。有定量(liang)的測量(liang)功🐆能和(he)調節功(gong)能,系統(tong)調試時(shi),調試人(ren)員通過(guo)👈與專用(yong)智能儀(yi)表人㊙️機(ji)對話,對(dui)平衡閥(fa)進行調(diao)整,即可(ke)實現系(xi)統的水(shui)力平🍉衡(heng)。

     

     

    适用場(chang)合:

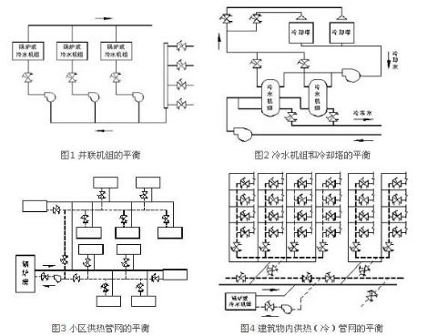
    1.鍋(guo)爐或冷(leng)水機組(zu):
      鍋爐或(huo)冷水機(ji)組在并(bing)聯安裝(zhuang)時,如果(guo)各機組(zu)的流量(liang)‼️與其額(e)🔞定流量(liang)不一緻(zhi),将使機(ji)組不能(neng)在高效(xiao)點🔞運行(hang),影響機(ji)組發揮(hui)最大效(xiao)能。這種(zhong)情況,應(ying)在每台(tai)鍋爐或(huo)冷水機(ji)組處安(an)裝平衡(heng)閥,使每(mei)台機組(zu)都能達(da)到設計(ji)出力,保(bao)證每台(tai)機組安(an)全、正常(chang)🔴運行。冷(leng)水機組(zu)連接多(duo)台冷卻(que)塔時,每(mei)台冷卻(que)塔也應(ying)安裝平(ping)衡閥。

    2.熱力站(zhan):
      在熱電(dian)站或鍋(guo)爐房向(xiang)若幹熱(re)力站供(gong)熱水的(de)系統中(zhong),為使⚽各(ge)熱力站(zhan)獲得要(yao)求的水(shui)流量,應(ying)在各熱(re)力站的(de)一次環(huan)路側安(an)裝平衡(heng)閥。為保(bao)證各二(er)次環路(lu)水流量(liang)為設計(ji)流量,熱(re)力站的(de)各二次(ci)環路側(ce)也應安(an)裝平衡(heng)🎯閥。

    3.小(xiao)區供熱(re)管網:
      小(xiao)區供熱(re)管網往(wang)往由一(yi)個鍋爐(lu)房或熱(re)力站向(xiang)若幹幢(zhuang)建💛築物(wu)供熱。由(you)總管、幹(gan)管和各(ge)幹管上(shang)與建築(zhu)物管路(lu)入口相(xiang)📐連的支(zhi)管組成(cheng)。由于每(mei)幢建築(zhu)物距離(li)熱源遠(yuan)近不同(tong),如果缺(que)乏有👉效(xiao)設備來(lai)消除近(jin)環路的(de)剩餘🙇🏻壓(ya)頭,将使(shi)流量分(fen)配🌏不符(fu)合設計(ji)要求,造(zao)㊙️成近端(duan)過熱,遠(yuan)端過冷(leng)。應在每(mei)條幹管(guan)和每條(tiao)支管上(shang)安裝平(ping)衡閥🏃,保(bao)證各幹(gan)管和各(ge)幢建築(zhu)物之間(jian)的流量(liang)平衡。

    4.建築物(wu)内供熱(re)和空調(diao)管網:
      建(jian)築物内(nei)供熱和(he)空調管(guan)網系統(tong),要滿足(zu)節能要(yao)求,就需(xu)♊要保證(zheng)所有的(de)立管和(he)支管都(dou)符合設(she)計流量(liang)。這時應(ying)在總管(guan)、幹管、立(li)管和支(zhi)管上都(dou)安裝平(ping)衡閥。

     

    安裝(zhuang)使用:

    1.安裝位(wei)置和方(fang)向
      (1)平衡(heng)閥可安(an)裝在回(hui)水管路(lu)上,也可(ke)安裝在(zai)供水管(guan)路❌上,每(mei)個環㊙️路(lu)中隻需(xu)安裝一(yi)處。建議(yi)将平衡(heng)閥安裝(zhuang)在水溫(wen)💘較低的(de)回🐉水管(guan)路上。
      (2)總(zong)管上的(de)平衡閥(fa),宜安裝(zhuang)在水泵(beng)的出口(kou)方向。
      (3)平(ping)衡閥可(ke)水平安(an)裝,也可(ke)垂直安(an)裝。
      (4)介質(zhi)流動方(fang)向應與(yu)閥體上(shang)标注的(de)方向一(yi)緻。
      (5)手柄(bing)上的開(kai)度指示(shi)數字應(ying)朝向調(diao)試人員(yuan)能夠看(kan)得見的(de)方向,以(yi)方便調(diao)試。閥體(ti)上的測(ce)量接頭(tou)前不應(ying)有障礙(ai)👄物,以免(mian)在調試(shi)時無法(fa)連接調(diao)試儀表(biao)。在吊頂(ding)内安裝(zhuang)時,應使(shi)手柄的(de)方向朝(chao)下。

    2.安(an)裝尺寸(cun)
      (1)閥門結(jie)構長度(du)符合國(guo)家标準(zhun)GB/T 12221。
      (2)法蘭連(lian)接尺寸(cun)符合機(ji)械行業(ye)标準JB 78。

    3.注意事(shi)項:

    (1)不(bu)應随意(yi)變動平(ping)衡閥開(kai)度
      管網(wang)系統安(an)裝的平(ping)衡閥經(jing)調試後(hou),為保持(chi)系統的(de)平衡狀(zhuang)态,在系(xi)統正常(chang)運行過(guo)程中,不(bu)應随意(yi)變動平(ping)衡閥的(de)❄️開度,特(te)别是不(bu)應變動(dong)開度鎖(suo)定裝置(zhi)。

    (2).不必(bi)再安裝(zhuang)截止閥(fa)
      在檢修(xiu)某一環(huan)路時,可(ke)将該環(huan)路上的(de)平衡閥(fa)關閉🙇🏻,此(ci)時♉平♌衡(heng)閥🏃‍♂️起到(dao)截止閥(fa)截斷水(shui)流的作(zuo)用,檢修(xiu)完畢後(hou)再回複(fu)到原來(lai)鎖定的(de)位置。因(yin)此安裝(zhuang)了平衡(heng)⚽閥,就不(bu)必再安(an)裝截止(zhi)閥。

     

    (3).注意新(xin)系統與(yu)原有系(xi)統的平(ping)衡
      當安(an)裝有平(ping)衡閥的(de)新系統(tong)連接于(yu)原有系(xi)統時,應(ying)💃🏻注意新(xin)系統與(yu)原有系(xi)統水流(liu)量分配(pei)平衡問(wen)題,以免(mian)安裝了(le)❓平衡閥(fa)的新系(xi)統(或改(gai)造系統(tong))達不到(dao)應有的(de)水流量(liang)。這時應(ying)在原有(you)系♻️統的(de)入口處(chu)加設平(ping)衡閥。

     

    平(ping)衡閥外(wai)形和安(an)裝尺寸(cun):

     

    技術特(te)點

    1、技(ji)術指标(biao)
    (1)公稱壓(ya)力:1.6MPa。
    (2)介質(zhi)允許溫(wen)度範圍(wei):3—130℃。

    2、新型(xing)結構 
     (1)閥(fa)芯和閥(fa)杆與閥(fa)門軸線(xian)成60°夾角(jiao),使介質(zhi)的流體(ti)力學性(xing)能更優(you)💔良。
     (2)閥芯(xin)位移采(cai)用内動(dong)式結構(gou),閥門啟(qi)閉,閥杆(gan)和手柄(bing)高度不(bu)✌️變,可💰适(shi)應較小(xiao)的安裝(zhuang)空間。
     (3)密(mi)封采用(yong)特制氟(fu)橡膠“O”形(xing)密封圈(quan),确保無(wu)滲漏,手(shou)柄旋轉(zhuan)輕靈自(zi)如。

    3、流(liu)量特性(xing)
     每一種(zhong)規格的(de)KPF-3平衡閥(fa)經試驗(yan)測量,都(dou)呈現了(le)近似🔆直(zhi)線的開(kai)度☁️—流量(liang)關系曲(qu)線,具備(bei)了良好(hao)的流量(liang)調節特(te)性,在平(ping)衡調試(shi)時可精(jing)确地調(diao)節流量(liang)。

    4、閥門(men)開度指(zhi)示
     平衡(heng)閥閥芯(xin)的開度(du)由手柄(bing)上的2個(ge)數字變(bian)換來表(biao)示,其♋中(zhong)1個⁉️數字(zi)表示1/10圈(quan),從1到10變(bian)換,另1個(ge)數字表(biao)示1圈🌈,從(cong)1到10變換(huan),因此⭕,開(kai)度表示(shi)的最小(xiao)讀數為(wei)閥門全(quan)行程的(de)1%,可☂️清晰(xi)準确地(di)指示閥(fa)門開度(du)。

    5、鎖定(ding)記憶裝(zhuang)置
     KPF-3平衡(heng)閥具有(you)開度鎖(suo)定記憶(yi)裝置,鎖(suo)定的閥(fa)門可以(yi)關小,但(dan)不能開(kai)大(鎖定(ding)功能)。當(dang)管路需(xu)要維修(xiu)時,關閉(bi)平衡閥(fa)💯(截止🔴功(gong)能),待檢(jian)修完畢(bi)後,打開(kai)閥門時(shi),鎖👈定記(ji)憶裝置(zhi)使閥門(men)隻♉能開(kai)到原鎖(suo)定位置(zhi)(記憶功(gong)能),保證(zheng)了平衡(heng)閥的設(she)定流量(liang)不變。

    6、流量測(ce)量裝置(zhi)
     平衡閥(fa)閥體上(shang)有2個測(ce)量接頭(tou),調試時(shi)用連接(jie)軟管👨‍❤️‍👨與(yu)專用智(zhi)🌈能儀表(biao)相連。

    7、專用智(zhi)能儀表(biao)
     專用智(zhi)能儀表(biao)中,輸入(ru)了根據(ju)KPF-3平衡閥(fa)流量特(te)性曲😍線(xian)編制的(de)調試軟(ruan)件。調試(shi)時,儀表(biao)可顯示(shi)出閥門(men)的壓差(cha)和流量(liang)值,并計(ji)👣算出該(gai)閥門在(zai)設計流(liu)量時的(de)💋開度值(zhi)。

    8、閥門(men)材質
     DN15~DN40L銅(tong)閥體采(cai)用模鍛(duan)工藝成(cheng)型,材質(zhi)密實,強(qiang)度高,表(biao)面平整(zheng)光潔,外(wai)形精緻(zhi)美觀。閥(fa)芯等關(guan)鍵零部(bu)件全部(bu)采用黃(huang)銅制造(zao),顯著提(ti)高閥門(men)的機械(xie)性能和(he)使用🔞壽(shou)命。

    選(xuan)型計算(suan)

    1.新設(she)計管網(wang)的選型(xing)計算:
      對(dui)于新建(jian)工程和(he)管網資(zi)料齊全(quan)的改造(zao)工程,需(xu)要在管(guan)網水👅力(li)計算的(de)基礎上(shang),計算出(chu)各平衡(heng)閥的流(liu)量值及(ji)需要消(xiao)除的剩(sheng)餘壓頭(tou)值,然後(hou)根據平(ping)衡閥選(xuan)用圖(圖(tu)6、圖7和圖(tu)8),進行✍️選(xuan)型計算(suan)。
      選型舉(ju)例:1台平(ping)衡閥的(de)設計流(liu)量為1.8m3/h,需(xu)要消除(chu)的剩餘(yu)壓💋頭為(wei)20kPa,可在圖(tu)6中将此(ci)兩點相(xiang)連,兩點(dian)的連線(xian)與閥門(men)系數Kv的(de)坐标相(xiang)交,得到(dao)一交點(dian),即Kv=4,沿此(ci)交點與(yu)水平坐(zuo)🔅标平行(hang)⛹🏻‍♀️作一直(zhi)線,可與(yu)幾種規(gui)格的平(ping)衡閥開(kai)度直線(xian)相交。本(ben)例中可(ke)選取DN20或(huo)DN25平衡閥(fa)📱,但選用(yong)DN20平🏃衡閥(fa)應更為(wei)适宜,其(qi)開度約(yue)為5.4圈,即(ji)可保證(zheng)較高的(de)🈲測量精(jing)度,又☔有(you)足夠的(de)調節餘(yu)量。

    2.舊(jiu)系統(改(gai)造系統(tong))的選型(xing)計算:
     對(dui)于舊系(xi)統,由于(yu)基礎資(zi)料不全(quan),無法進(jin)行管網(wang)的🚶水力(li)計算。此(ci)時平衡(heng)閥的設(she)計選型(xing)應按校(xiao)核計算(suan)法進行(hang)。此種方(fang)法的計(ji)算步驟(zhou)是根據(ju)該平衡(heng)閥所承(cheng)擔的供(gong)熱或空(kong)調面積(ji),按照熱(re)指标估(gu)算出流(liu)量Q,然後(hou)按現有(you)管徑(或(huo)‼️縮小1檔(dang))初選平(ping)衡閥,再(zai)将流量(liang)🔴Q和初選(xuan)平衡💜閥(fa)的Kv值代(dai)入公式(shi)?P=(Q/Kv)2〔式中?P(100kPa),Q(m3/h)〕,求(qiu)出的?P如(ru)小于㊙️2kPa,則(ze)改選口(kou)徑小1檔(dang)的平衡(heng)閥,并用(yong)該口徑(jing)的Kv值再(zai)次代入(ru)上述公(gong)式,直至(zhi)求出🤞?P大(da)于2kPa為止(zhi)。

  • 上一篇(pian):自力式(shi)流量平(ping)衡閥
  • 下(xia)一篇:沒(mei)有了
  • 
    Copyright © 2019 - 2020 优源轻工制造有限公司 All Right Reserved. 河北(bei)优源轻工制造有限公司 版權所(suo)有  冀ICP備(bei)16005779号-1
    ·
    ·
    ·
    ·
    ·
    ·
    ·